大疆智控齿轮编码器睿感R系列专用于测量电机、主轴转速或位置的磁感应式增量型编码器。产品采用自主研发的最新一代磁传感器技术,一隧道磁阻(TMR) 传感器来感应齿轮旋转时产生的磁场变化,具有高灵敏度、高速响应、高精度、高可靠性等特点。
型号定义

产品特性
高分辨率,测量转速和旋转角度最高可达10万rpm
定位精度最高可达±10"
全金属外壳坚固,抗污染
工作温度可达100℃
高电磁兼容性及静电稳定性(最高可达30kV)
可灵活的进行定制化生产设计
主轴全工作时间记录
监测转速、相位、编码器温度等数据
可存储维护检测报告数据
信号参数自动校准
信号振幅自动稳定
适用于机床驱动主轴、驱动伺服电机
拥有“安全集成”认证
信号参数
编码器在出厂前会在标准气隙0.3mm进行最佳信号的校准(振幅1Vpp、位移0mV、相位90°,信号频谱如图表)在安装后,信号设定参数可能会因为安装间隙、齿轮质量、温度、转速而改变,但编码器会在实际运转后自动校准。


带有智能芯片功能的R8D系列编码器可以实现:
大幅度的简化了编码器的安装过程(自动校准):减少安装时间
允许对主轴状态进行监测:如振动,圆跳动等。
能够存储主轴的工作状况:温度、寿命、转速区向等。
简化了主轴维护工作(可预测主轴能反馈报警/停机)
接线定义
采用标准D-Sub15针连接器
连接器外壳为锌合金金属外壳,插针为镀金实心车针。
线缆长度有1m(标准)、3m、5m三种规格可选。

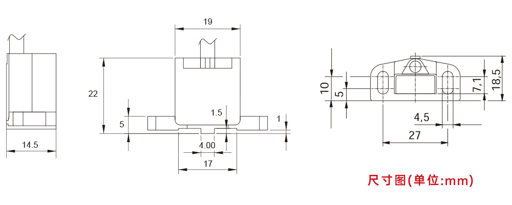
尺寸图

安装图

注释
N 主传感器芯片对应的齿轮厚度:≥3mm
M 安装面与齿轮的距离:7.5mm
O安装面与主传感器芯片中心的距离:9.5 mm
K主传感器芯片与副传感器芯片的距离:6mm
Q被测量齿轮的厚度:≥8mm(推荐10mm)
D标准气隙:0.3/0.4模数-0.3MM间距 0.5模数-0.4MM间隙
Copyright © NOW 惠州市大疆智控技术有限公司 京ICP证000000号